- Dapatkan link
- X
- Aplikasi Lainnya
Postingan Populer
[36+] Statuettes Sculptées Artisanales - Coffret de 3 statuettes artisanales en b..
- Dapatkan link
- X
- Aplikasi Lainnya
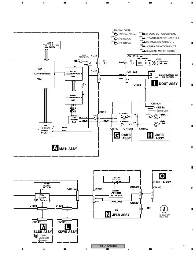
Pioneer cdj-200 rrv3095 service manual download, schematics, eeprom. Pioneer cdj-1000/wyxj. Pioneer cdj-3000 review
pioneer cdj 1000 manual download
Download PDF
If you are {looking for|searching about} Manual tecnico Pionner cdj 1000-mk2 completo you've {came|visit} to the right {place|web|page}. We have 17 {Pics|Pictures|Images} about Manual tecnico Pionner cdj 1000-mk2 completo like Pioneer CDJ-1000 MKIII price comparison - Find the best deals on PriceSpy, PIONEER CDJ-1000/WYXJ - Owner's Manual Immediate Download and also PIONEER RMX-1000 RRV4310 Service Manual download, schematics, eeprom. {Read more|Here you go|Here it is}:
Komentar
Posting Komentar